解决方案
解决方案
产品中心
新能源充电桩
塑壳伴侣
智能测控
电能质量治理
电气安全
软件产品
电气设备
低压电器
户内高压真空断路器
充电桩交流导轨表
充电桩直流导轨表
SFB01-E63
SFB01-E125
SFB01-E250
SFB01-E400
SFB01-E630
智能电表
多功能电力仪表
数显表
智能电量变送器
智能模块
多回路电力仪表
精密配电监测单元
电动机保护控制器
微机综合保护装置
智能操控
通信网关
机架母线监测单元
互感器
有源滤波模块
静止式无功发生模块
智能电力电容模块
消谐式无功补偿组件
控制投切单元
智能电能质量管理软件
电能质量治理装置
安全用电智能测量终端
电气火灾监控系统
消防设备电源监控系统
防火门监控系统
温度监控系统
电涌保护器
SFERE电力云运维平台
SFERE能源管理系统
SFERE网络计费系统
SFERE智慧用电安全管理平台
智能控制柜
电能质量柜
配电柜
配电箱
万能式断路器
塑料式外壳断路器
隔离开关
双电源自动转换开关
小型断路器
控制与保护开关
户内高压真空断路器
关于我们
关于斯菲尔
企业文化
资质荣誉
加入我们
校园招聘
社会招聘
员工分享
联系我们
典型案例
工程案例
下载中心
简体中文
Global
简体中文
Global
商城
快速链接
xxx
xxx
产品中心
户内高压真空断路器
低压电器
电气设备
软件产品
电气安全
电能质量治理
智能测控
塑壳伴侣
新能源充电桩
首页
>
产品中心
>
智能测控
>
物联网网关
物联网网关
简介
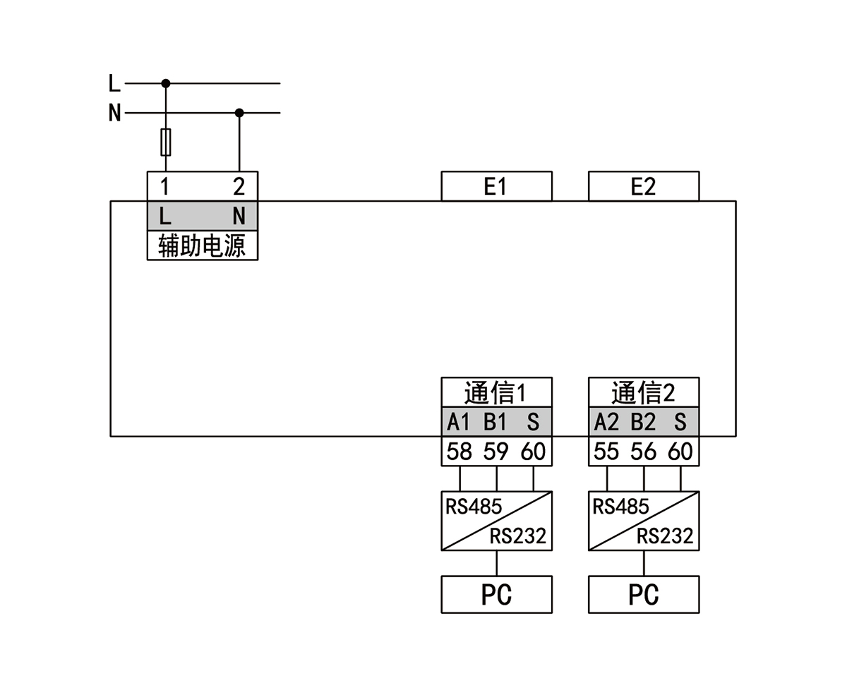
S15网关是一款能够采集多种通信协议,并将数据上传到云平台或就地监控系统的小型网关设备。其配套SmartHMI工具支持对下挂的设备进行配置,监控其数据或调试。主要用于采集智能测控、电能质量、电气安全类产品数据,上行通过以太网口与监控系统通信,通过2G、4G、NB-loT无线方式上传到云平台。下行通过RS485或LoRa实现有线/无线组网。
特点
无线组网
丰富的通讯协议
智能配置及调试
双网口交换功能设备管理
技术参数
选型
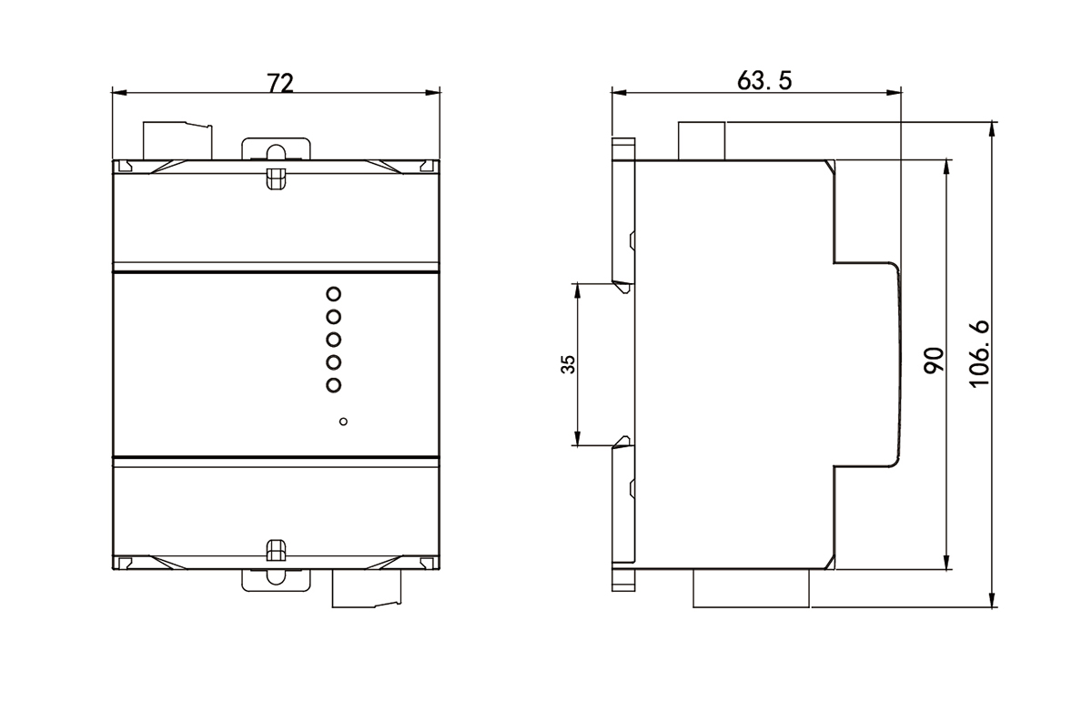
尺寸
典型接线
产品价格
相关产品、解决方案
LoRa通信网关
SC2为实现有线RS485转无线LoRa功能的网关,支持透传、主从模式和多频段选择,产品传输距离远、抗干扰…
查看详细信息>
以太网通信网关
S12网关是一款能够采集多种通信协议,并将数据上传到就地监控系统的小型网关设备。其配套SmartHMl支持对…
查看详细信息>
物联网网关
S20可作为现场终端与服务器或云平台之间数据传输的桥梁,实现水、电、气等数据集中采集汇总、计算与控制
查看详细信息>