解决方案
解决方案
产品中心
新能源充电桩
塑壳伴侣
智能测控
电能质量治理
电气安全
软件产品
电气设备
低压电器
户内高压真空断路器
充电桩交流导轨表
充电桩直流导轨表
SFB01-E63
SFB01-E125
SFB01-E250
SFB01-E400
SFB01-E630
智能电表
多功能电力仪表
数显表
智能电量变送器
智能模块
多回路电力仪表
精密配电监测单元
电动机保护控制器
微机综合保护装置
智能操控
通信网关
机架母线监测单元
互感器
有源滤波模块
静止式无功发生模块
智能电力电容模块
消谐式无功补偿组件
控制投切单元
智能电能质量管理软件
电能质量治理装置
安全用电智能测量终端
电气火灾监控系统
消防设备电源监控系统
防火门监控系统
温度监控系统
电涌保护器
SFERE电力云运维平台
SFERE能源管理系统
SFERE网络计费系统
SFERE智慧用电安全管理平台
智能控制柜
电能质量柜
配电柜
配电箱
万能式断路器
塑料式外壳断路器
隔离开关
双电源自动转换开关
小型断路器
控制与保护开关
户内高压真空断路器
关于我们
关于斯菲尔
企业文化
资质荣誉
加入我们
校园招聘
社会招聘
员工分享
联系我们
典型案例
工程案例
下载中心
简体中文
Global
简体中文
Global
商城
快速链接
xxx
xxx
产品中心
户内高压真空断路器
低压电器
电气设备
软件产品
电气安全
电能质量治理
智能测控
塑壳伴侣
新能源充电桩
首页
>
产品中心
>
电能质量治理
>
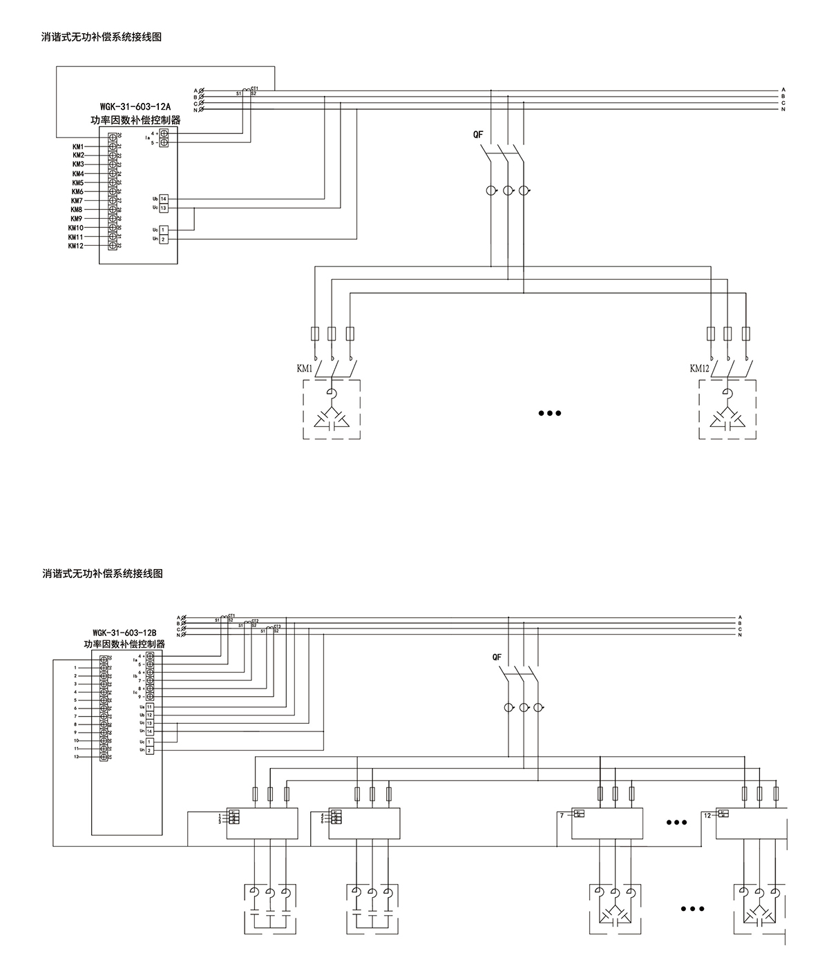
投切与控制装置
投切与控制装置
简介
通用型(与SLG系列产品配套使用),实时显示电压、电流、功率因数、有功功率、无功功率、谐波电压、谐波电流、频率及电容投切状态、温度等参数。支持等容、编码及模糊控制投切方式。
特点
交流采样算法
LCD液晶显示
模块化组装
谐波保护功能
外形尺寸
技术参数
产品选型
典型接线
产品报价
相关产品、解决方案
消谐式无功补偿组件
SLG系列消谐式无功补偿组件是将一定电抗系数的滤波电抗器和一定容量的电容器进行适当比例的配置,组成滤…
查看详细信息>
有源电力滤波柜
SFR-APF系列有源电力滤波柜是一种用于动态滤除谐波的新型电力电子装置,它能对谐波(大小和频率都变化…
查看详细信息>
数据中心电能质量分析与治理解决方案
数据中心是当今最热门的技术发展领域之一。数据中心的供配电是为机房内所有需要动力电源的设备提供稳定可靠…
查看详细信息>