解决方案
解决方案
产品中心
新能源充电桩
塑壳伴侣
智能测控
电能质量治理
电气安全
软件产品
电气设备
低压电器
户内高压真空断路器
充电桩交流导轨表
充电桩直流导轨表
SFB01-E63
SFB01-E125
SFB01-E250
SFB01-E400
SFB01-E630
智能电表
多功能电力仪表
数显表
智能电量变送器
智能模块
多回路电力仪表
精密配电监测单元
电动机保护控制器
微机综合保护装置
智能操控
通信网关
机架母线监测单元
互感器
有源滤波模块
静止式无功发生模块
智能电力电容模块
消谐式无功补偿组件
控制投切单元
智能电能质量管理软件
电能质量治理装置
安全用电智能测量终端
电气火灾监控系统
消防设备电源监控系统
防火门监控系统
温度监控系统
电涌保护器
SFERE电力云运维平台
SFERE能源管理系统
SFERE网络计费系统
SFERE智慧用电安全管理平台
智能控制柜
电能质量柜
配电柜
配电箱
万能式断路器
塑料式外壳断路器
隔离开关
双电源自动转换开关
小型断路器
控制与保护开关
户内高压真空断路器
关于我们
关于斯菲尔
企业文化
资质荣誉
加入我们
校园招聘
社会招聘
员工分享
联系我们
典型案例
工程案例
下载中心
简体中文
Global
简体中文
Global
商城
快速链接
xxx
xxx
产品中心
户内高压真空断路器
低压电器
电气设备
软件产品
电气安全
电能质量治理
智能测控
塑壳伴侣
新能源充电桩
首页
>
产品中心
>
塑壳伴侣
>
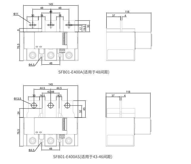
SFB01-E400集成式多功能仪表适用于400A塑壳断路器
SFB01-E400集成式多功能仪表适用于400A塑壳断路器
简介
SFB01系列塑壳(MCCB)监测单元采用直接接入方式,符合GB/T18216.12标准。该产品是集成于断路器的电能计量模块,结构紧凑、安装方便,直接安装在断路器出线侧,帮助用户准确监测电力运行数据,实现对断路器下级用电设备的电能计量,满足用户对于电力监控和能源管理的需求。
特点
全电量参数测量
电能计量
谱波监测
3路端子温度监测(选配)
越限报警
R5485通讯接口
开关状态监测等功能
产品选型
技术参数
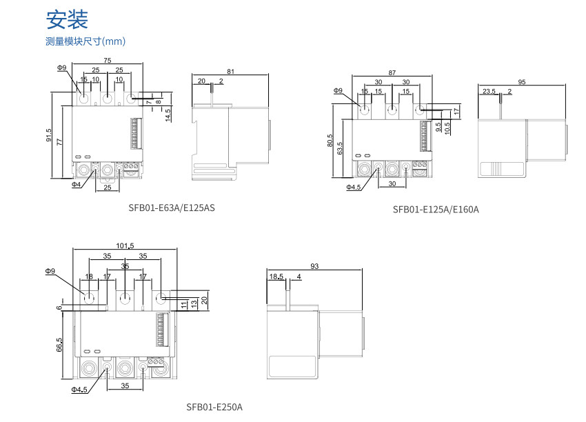
安装尺寸
典型接线
产品优势及特点
适配的塑壳断路器品牌
相关产品、解决方案