解决方案
解决方案
产品中心
新能源充电桩
塑壳伴侣
智能测控
电能质量治理
电气安全
软件产品
电气设备
低压电器
户内高压真空断路器
充电桩交流导轨表
充电桩直流导轨表
SFB01-E63
SFB01-E125
SFB01-E250
SFB01-E400
SFB01-E630
智能电表
多功能电力仪表
数显表
智能电量变送器
智能模块
多回路电力仪表
精密配电监测单元
电动机保护控制器
微机综合保护装置
智能操控
通信网关
机架母线监测单元
互感器
有源滤波模块
静止式无功发生模块
智能电力电容模块
消谐式无功补偿组件
控制投切单元
智能电能质量管理软件
电能质量治理装置
安全用电智能测量终端
电气火灾监控系统
消防设备电源监控系统
防火门监控系统
温度监控系统
电涌保护器
SFERE电力云运维平台
SFERE能源管理系统
SFERE网络计费系统
SFERE智慧用电安全管理平台
智能控制柜
电能质量柜
配电柜
配电箱
万能式断路器
塑料式外壳断路器
隔离开关
双电源自动转换开关
小型断路器
控制与保护开关
户内高压真空断路器
关于我们
关于斯菲尔
企业文化
资质荣誉
加入我们
校园招聘
社会招聘
员工分享
联系我们
典型案例
工程案例
下载中心
简体中文
Global
简体中文
Global
商城
快速链接
xxx
xxx
产品中心
户内高压真空断路器
低压电器
电气设备
软件产品
电气安全
电能质量治理
智能测控
塑壳伴侣
新能源充电桩
首页
>
产品中心
>
智能测控
>
电动机保护控制器
电动机保护控制器
简介
WDH-31-210电动机保护控制器可支持5路可编程开关量输入(干接点),4路可编程继电器翰出。所有的开入开出都具备可编程功能,满足现场不同保护控制要求,所有保护功能可同时设置报整值和动作值,并可分别投退,保护参数等可由专业人员根据现场电动机的实际工况进行整定,掉电不丢失。
特点
12
种保护功能
全中文人机界面
参数整定方便
功能
技术参数
选型
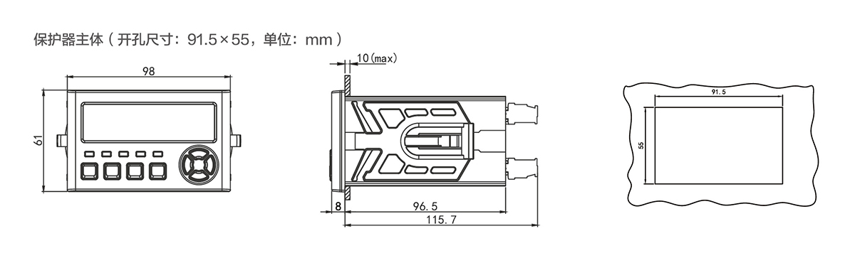
尺寸
典型接线
产品价格
相关产品、解决方案
WDH-31-500
WDH-31-500电动机保护控制器最多可提供12路可编程开关量输入(干{湿接点可选),7路可编程继电器输出,所有…
查看详细信息>
WDH-31-200
WDH-31-200电动机保护控制器可取代热继电嚣、变送嚣等电器元件,简化传统电动机控制和保护,其保护范围更宽…
查看详细信息>
WDH-31一580
WDH-31一580电动机保护控制器最多可棍供12路可斜程开关量输入(干s湿接点可选)。8路可编程壁电客输出,所…
查看详细信息>