概述
地铁作为公众聚集场所,具有空间狭小,人流量大,用电设备多,供电要求高等特点。当火灾发生时,消防设备能否正常工作,直接关系到人民生命安全和国家财产安全。而因设备老化、供电中断造成消防设备不能正常工作,火灾灾情得不到有效控制的悲剧屡见不鲜。消防设备的电源是各类型消防设备(系统)的重要组成部分,在消防灭火过程中起着至关重要的作用。因此,为保证消防设备在发生火灾时能及时正常工作,针对消防设备电源的监控系统应运而生。
GB25506-2010《消防控制室通用技术要求》作出了“消防控制室应能显示系统内各消防用电设备的供电电源和备用电源的工作状态和故障报警信息”的强制性规定,GB50116-2013《火灾自动报警系统设计规范》也对消防控制室内要设置消防电源监控器提出了明确要求。因而,通常在地铁设计和建设时会设置消防设备电源监控系统。
参考标准
GB 50157-2013 地铁设计规范
GB 50116-2013 火灾自动报警系统设计规范
GB 25506-2010 消防控制室通用技术要求
GB 28184-2011 消防设备电源监控系统
消防设备电源监控系统在地铁中的应用
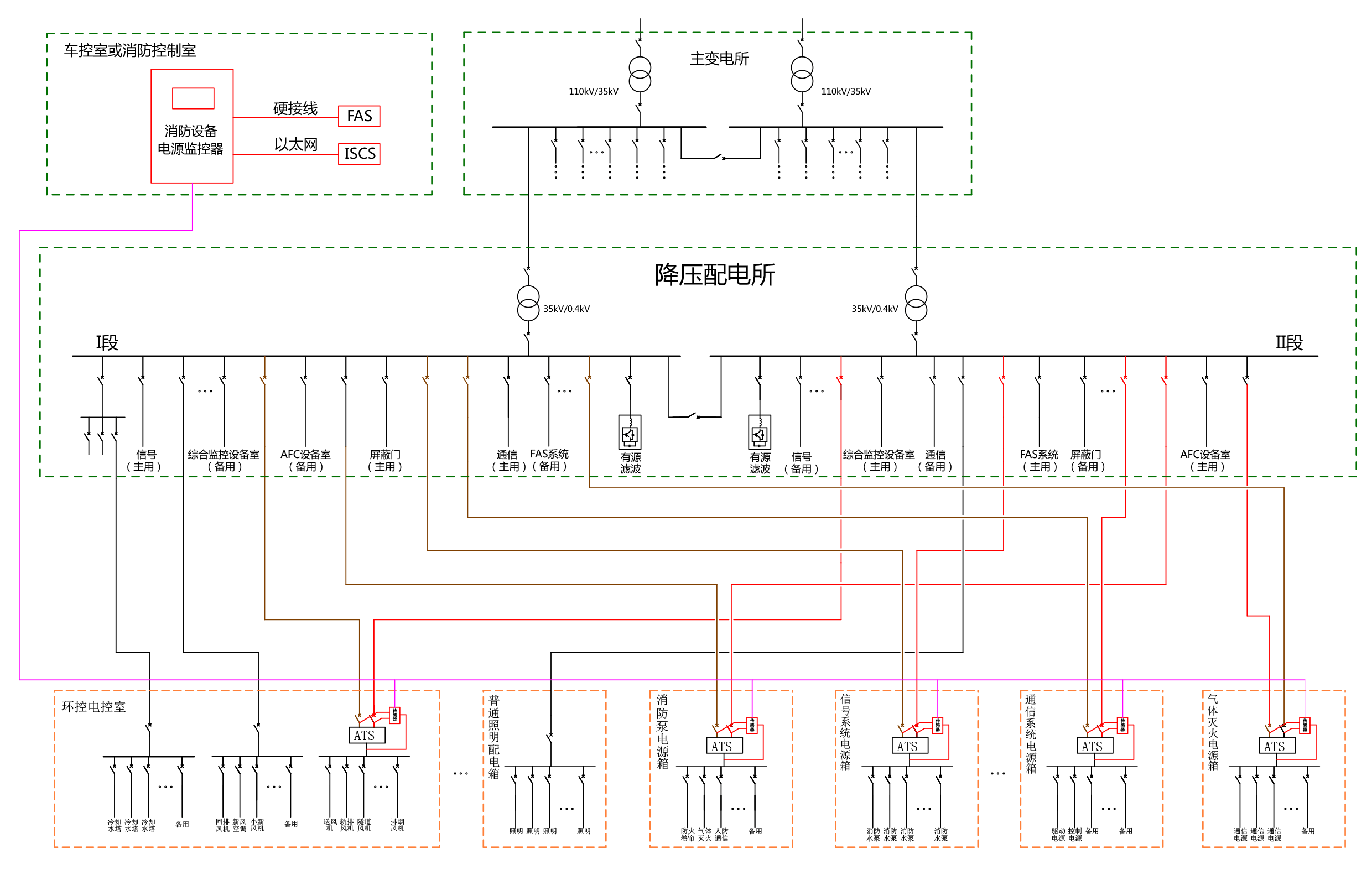
消防设备电源监控系统由消防设备电源状态监控器、信号传感器、现场总线及专用软件等部分组成。在地铁中,根据规范要求,需在消防泵电源、气体灭火电源、FAS系统电源等消防负荷中设置电压/电流信号传感器。同时为了提高供电可靠性,一些重要设备负荷如信号系统电源、通信系统电源、车站环控一级负荷总进线配电柜等建议安装电压/电流信号传感器。
消防设备电源监控系统按车站设置,监控主机设置在车控室或消防控制室内,同时为火灾报警系统(FAS)预留接口、为综合监控系统(ISCS)预留RS485、以太网等通讯接口,以实现系统监控信息上传。

信号传感器通过消防二总线将实时参数和报警信息上传给监控主机。消防二总线有效通信距离远,无极性,且布线灵活,支持星形、树形等拓扑结构,施工简单、维护方便。
地铁消防设备电源监控系统的配置方案
在环控配电室进线柜安装一只SCK833V电压传感器,同时监测ATS进线(主/备)及出线共计3路电压,柜内传感器经消防二总线连接至监控主机下行通信口。在消防负荷、通信、信号等重要负荷配电箱内安装SCK832V电压信号传感器,同时监测ATS进线(主/备)电压,经消防二总线连接至监控主机;传感器工作所需DC24V电源由监控主机提供,确保传感器在市电断电的情况下正常工作。

本方案中采用的监控主机为壁挂式,体积小巧,适合在地铁车控室等场所使用。
方案特点
1.监控主机与信号传感器采用消防二总线连接,可连接多达32只信号传感器。
2.监控主机具备多种通信接口,例如RS-485通信接口、以太网接口,保证了系统的兼容性。
3.信号传感器采用模块化设计,结构紧凑,占用空间小,安装灵活,具有就地显示及报警功能。
4.信号传感器种类齐全,可根据实际监控需求选择相应模块。
5.可以实时监测环控一级负荷等重要设备的电压、电流。
6.采用无极性消防二总线通讯,接线简单,维护方便。

监控功能简介
对于数据中心基础设施设备,主要非线性负荷为空调机组和照明及办公设备等,采用动态消谐式无功补偿提升系统功率因数,同时采用有源电力滤波器解决谐波问题,消除谐波对电力系统的危害,避免谐振风险,有效改善用电环境,提升系统可靠性。
该方案主要针对数据中心的基础设施配电,动态消谐式无功补偿部分进行功率因数提升,有源电力滤波器进行谐波治理,从而使系统的功率因数和谐波都能满足要求,更好地保障数据中心基础设备的用电需求。
实时监测
监控设备系统实时监测接入回路的电源电压和电流,并在主见面显示详情回路名称编号内容以及各类功能按钮。

故障显示
当现场发生通信总线故障、传感器自身的功能模块运行故障及传感器所监控设备的电源故障时,监控器在20秒内检测到故障状态,同时发出声光报警信号,并自动进行详尽顺序的事件记录。

历史记录查询
监控设备系统自动记录故障信息,通过报警查询和故障查询可查询到所有记录。若记录条目过多,历史信息不再需要的时候,可以在“参数设置”中设置清除记录,这样就可以清楚设置

权限管理
监控设备系统分三级权限,分别为低级权限、高级权限和管理员级权限,系统启动后,默认无操作权限登录。(手动消音操作可在无权限情况下进行操作)

运行信息
监控设备系统显示监控器所接各类传感器的在线数和总数。

产品介绍
消防设备电源状态监控器
SCK880-B
特点
☑ 图形点阵工业液晶;
☑ 支持中文输入,中文显示探测器位置;
☑ 总线采用无极性、两线制,布线简便
☑ 三级操作权限设置,方便管理;
☑ 实时监控,精确定位故障点信息;
☑可以对被监控设备的电源故障进行早期的预见性告警和紧急性报警,以便及时排除隐患,保障消防联动系统的可靠性;
☑支持2路继电器输出,工作模式固定:第一路输出为报警输出,第二路输出为故障输出。
☑自备后备电源,支持4小时连续供电。
功能
☑ 监控报警,故障报警,自检,信息显示及查询
应用场景
☑ 车站车控室

区域分机(中继器)
SCK860
特点
☑ 自带1路消防二总线,可向下监测最多64个信号传感器。
☑ 支持中文显示,帮助用户更快更准确的确定故障位置。
☑ 内置后备电源,为下端信号传感器提供可靠的DC24V电源。
☑ 可记录10000条以上保障报警事件记录。
☑ 全电子编码,可通过监控设备或按键现场改写,工程调试简单可靠。
功能
☑ 延长通讯距离;提供24V电源;消音、自检、复位;事件记录;声光报警

电压/电流信号传感器
SCK831VA、SCK832VA、SCK833VA
特点
☑ 种类齐全,可根据实际监控需求选择相应模块;
☑ 采用模块化结构设计,安装起来灵活,结构紧凑,占用空间小,并能实现就地报警功能;
☑ 总线采用无极性、两线制,布线简便;
☑ 支持2路开关量输入,1路继电器输出;
功能
☑ 对消防电源过压、欠压、过流、缺相等故障保护
应用场景
☑ 环控电控柜,配电箱
